水閥、油閥、膨脹閥等閥類組件在汽車熱管理系統中扮演著調節控制的重要角色。閥類應用需具備高可靠性、精準控制等性能,同時簡單易用、價格合理也是硬需求。步進電機由于高精度、高性價比、電路簡單等特性,非常契合閥類控制。
基于以上市場需求,進芯電子推出了一系列適用于小型低功耗步進電機控制的閥類解決方案,該方基于進芯16位定點DSP芯片ADM16F03A2Q開發設計集,成了LDO、預驅及LIN模塊,具有啟動及運行電流小、轉速可調節、可恒流運行,可簡化客戶開發進程,加速產品上市。
該方案主控芯片ADM16F03A2Q進芯電子針對電機應用而開發的一款專用芯片,集成ADP16F03 控制器、完整信號采集鏈、智能電源管理單元、6NMOS預驅動器、LIN驅動器的智能電機控制驅動器芯片,外接功率NMOS可單芯片組成有刷/無刷電機執行器,同時實現單線控制和組網。下表是ADM16F03A2Q電機控制方面的資源簡介:
|
主架構 |
16位定點DSP |
|
主頻 |
150MHz |
|
存儲資源 |
8KB SARAM、64KB Flash |
|
單電源供電 |
4.5-40V |
|
通訊接口 |
SCI(配置成LIN接口) |
|
外設 |
六路NMOS Pre-Driver+4TCON+3CAP+QEP+延時濾波+運算加速單元(除法+開方+反正切+帕克變換+32位乘法移位 |
|
模擬外設 |
OPA+3PGA+5比較器+溫度傳感器 |
|
集成化配置 |
12V-LDO、6NMOS預驅、LIN-PHY |
|
電機驅動方式 |
有感/無感方波 有感/無感弦波 |
|
封裝 |
QFN56 封裝 |
|
溫度范圍 車規認證 |
-40-125°C AEC-Q100 |
表1 ADM16F03A2電機控制相關資源
如以下框圖所示,集成的5V LDO和12V LDO可以將母線直接接入LDO_IN引腳,無需其他降壓、分壓器件;同時內置的6NMOS預驅動器只需要在外圍簡單配置boost器件即可使用;集成的LIN驅動器在需要與其他LIN主(從)機進行通信時,也可方便快捷的應用。結合我司自研的三半橋驅動兩相四線步進電機的軟硬件資源,可以實現用更少的芯片資源占用、更低成本的硬件來實現同樣優秀的步進電機控制。

圖1 ADM16F03A2步進電機閥類應用框圖
軟件模塊
在三路半橋的基礎上,軟件采用矢量控制方式,將步進電機不同線圈的一端并聯在一起定為公共端,通過開環SVPWM驅動步進電機運轉。

圖2 軟件控制邏輯
硬件模塊
電路模塊主要包括:ADM16F03A2芯片最小系統、H橋電路、ADC采樣電路。
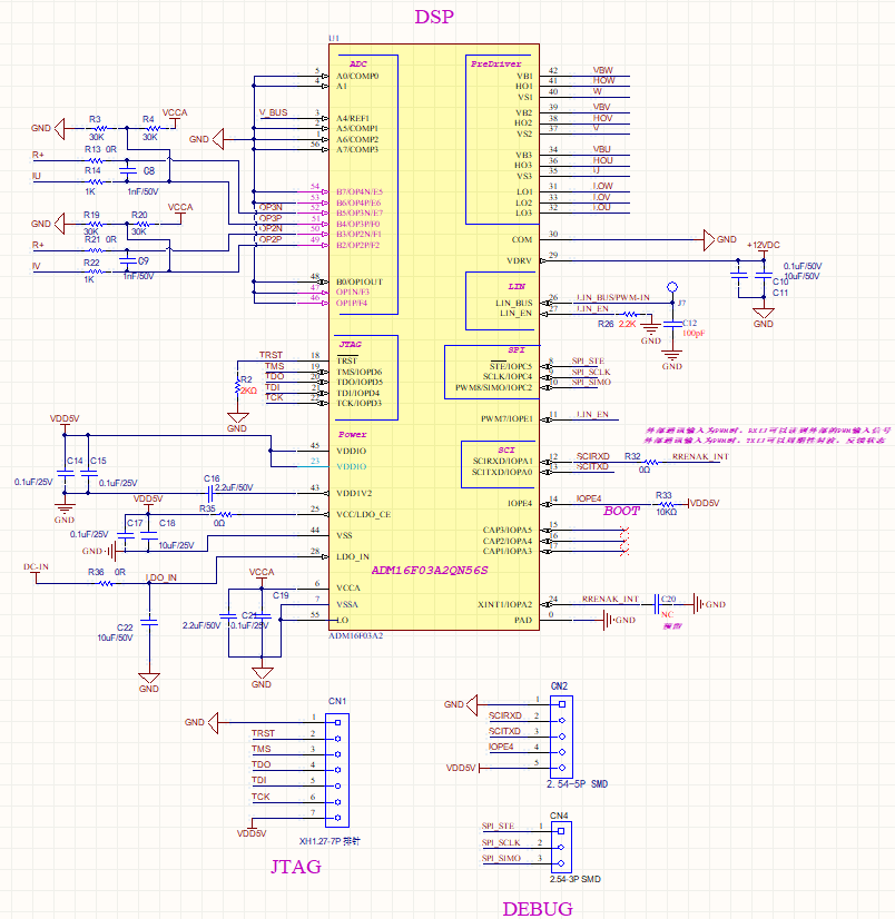
1)ADM16F03A2芯片最小系統
ADM16F03A2最小系統如下圖所示,包含JTAG接口、SPI通信接口、串口、PWM模塊、ADC模塊等。系統自帶的運放PGA可以通過外圍電阻配置為差分模式用于相線電流采樣。當需要用到SPI調試時,可以通過SPI接口,借助進芯SPI通訊調試工具進行SPI通信調試;當需要離線燒錄程序時,通過3V3、TX、RX、GND信號測試焊盤,借助進芯的離線燒錄工具可實現快速的脫機燒錄。

圖3 ADM16F03A2最小系統
2)H橋電路
H橋電路采用上下管均為NMOS的配置,總計6個NMOS組成三相H半橋驅動電路。
ADM16F03A2內部集成了三相半橋柵極驅動芯片,只需搭建簡易BOOST電路提高上管NMOS柵極驅動電壓,其余驅動部分均已集成于DSP內部,極大簡化了PCB硬件布局空間需求以及布局難度,顯著降低成本。
相電流采樣電阻200mR 放置在低邊三相任意兩相上,通過差分走線連接至ADM16F03A2的PGA的外圍放大電路。

圖4 H橋及BOOST電路
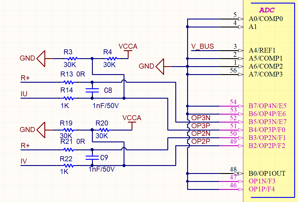
3)ADC采樣電路
ADC采樣電路包括兩路橋臂相電流的采樣和母線電壓采樣。相線電流用于堵轉位置檢測 后續還可用于電流環 母線電壓檢測除用于保護外 還為軟件算法的計算提供電壓參數
圖5 ADC采樣電路
實物及波形
基于以上應用介紹,我司設計了一塊用于驅動12V兩相四線步進電機的電子水閥的控制DEMO板。板卡實物圖和實測波形圖如下圖所示:


圖6 12V電子水閥驅動板


圖7 步進針閥運行全行程相電流波形圖

圖8 LIN通信波形圖
技術支持
進芯電子可為客戶提供以上方案的原理圖、PCB參考板圖、源代碼、以及方案所對應的軟硬件開發技術支持,需進一步了解方案詳情,歡迎致電0731-88731027。